2025-11-18 15:02:24
在线咨询
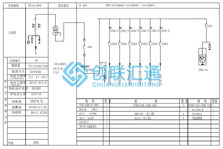
箱式变电站,简称箱变,是一种将高压开关设备、配电变压器、低压配电装置,按一定接线方案排成一体的紧凑型配电设备,今天给大家介绍的是800kva箱变的配置和价格,供大家参考,具体价格还是要以设计图纸和所需配置为准。
这套800kva箱变主要包括高压柜、变压器、低压柜、低压补偿装置等,铜排铝变11.3万元,一进六出带六台充电桩:
高压配电柜用的是环网柜(HXGN型),柜内主要电器元件有断路器、隔离开关、电流互感器、电压互感器、微机保护装置、带电显示器、熔断器、避雷器和电磁锁,高压环网柜特点是结构简单、体积小、价格低。
变压器用的是SCB14型干式变压器,连接组别是DYn11。SCB14是国家二级能效标准的三相干式变压器,采用环氧树脂浇注技术,具有低损耗、低噪音特性。
低压柜用的是GGD型,产品具有动热稳定性好,结构新颖、合理、电气方案切合实际,系列性使用性强,防护等级高等特点。
低压补偿装置用的SVG(静止无功发生器),无功补偿通俗的讲就是将低压变压器传输过来的无用功转变为有用功。加上SVG后可以减少线路损耗50%以上,避免罚款,不额外投资实现扩容,改善电能质量、延长了电器寿命、提高了产品质量。
以上就是800kva箱变的配置和价格,大家可以参考一下,我们公司有不少箱变成功案例,留言就可以获取同款800kva箱变配置价格表,自己带图纸询价也可
/ 匠心16年 / 60秒级人工响应 24小时免费提供方案
